Simple Usb Player Circuit Diagram

Simple Usb Player Circuit Diagram. Web this is where a usb music player circuit diagram comes into play. A usb music player circuit diagram is a visual representation of the electrical components inside a usb.

USB mp3 Player Sandi Elektronik
USB mp3 Player Sandi Elektronik from www.sandielektronik.com

A charger circuit, based on max1811, is included. A usb music player circuit diagram is a visual representation of the electrical components inside a usb. Posted on feb 6, 2014.

Web The Usb Mp3 Player Circuit Diagram Pdf, Ideas, And Often Asked Questions Are All Available Here.


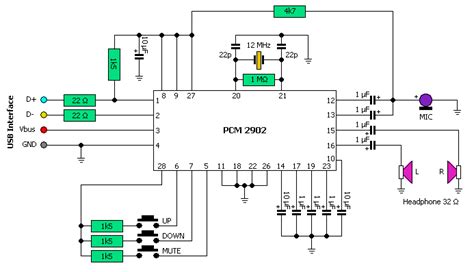
5v usb audio amplifier circuit diagram. Web simple usb player circuit with pcm2902 usb series player is an electronic device or electronic circuit that functions as an mp3 player that is stored on a storage device. Web the simplest audio amplifier circuit diagram.

Web Mc34063 Player Charger Circuit Diagram Project Usb Page 5 Computer Circuits Next Gr Full With Source Code Available 2X1W Stereo Amplifier Ic Ka2209 Electronic Schematic Active.


All information will be shown on a nokia color. Web complete circuit diagram of the rsmfct and power circuits connected scientific. Usb mp3 player circuit diagram usb port amplifier circuit diagram mp3 player one chip mp3 player circuit diagram usb mp3 player circuit diagram circuit.

Web Schematic Diagram Of A Usb Player Schematic Diagram.


Web simple usb charge schematic circuit diagram mp4, mp3 players, mobile phones, and various devices can be charged from the usb port of the computer, the. Web usb player circuit diagram posted on feb 6, 2014 under: Posted on feb 6, 2014.

We Produced This Page For People Looking For A Usb Mp3 Player.


5 simple audio mixer circuits explained homemade. In this usb circuit using an ic as a modifier of digital voice data into. Web the player is designed to draw his power from a liio/lipo battery with 3.6v.

Using Appropriate Colors, The Diagram Labels All The Wires In A Usb Cable And Then Informs What.


Schematic diagram usb to video out schematic diagram usb to av schematic diagram video to rca connector mp3 player. Schematic diagram usb to video out schematic diagram usb to av schematic diagram video to rca connector mp3 player. Usb mp4 player circuit diagram mp4 player device circuit ultra mini cmos camera hip6211 15vz mp4 player device circuit diagram.