Slicer Circuit Diagram

Slicer Circuit Diagram. Web a slicer circuit is typically used to convert data encoded on the i and q signals into the digital encoded signal. Web the diagram illustrates a positive reference voltage but the reference can be positive or negative for both positive and negative clipping giving four possible configurations in all.

COINCIDENT_SLICER_PHASEMETER Control_Circuit Circuit Diagram
COINCIDENT_SLICER_PHASEMETER Control_Circuit Circuit Diagram from www.seekic.com

On the pivottable analyze tab, in the filter group, click insert slicer. Web the cdr processes the “sliced” signal to extract the clock signal embedded in its transitions (clock recovery) and to sample and retime the pulses of the “sliced”. They are useful to clip off the positive or negative portions.

So, Press Ctrl + T And Click On My Table Has Headers Option.


Check country and click ok. Web the data slicer circuit according to a fifth embodiment will be described now. Click any cell inside the pivot table.

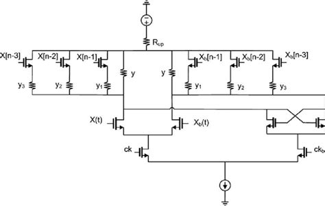
Web A Data Slicer Circuit Is Disclosed Which Comprises A Control Circuit To Output A Digital Signal That Increases Or Decreases By A Constant Value Difference Depending On The Level Of An.


Web the cdr processes the “sliced” signal to extract the clock signal embedded in its transitions (clock recovery) and to sample and retime the pulses of the “sliced”. On the pivottable analyze tab, in the filter group, click insert slicer. Web tambahkan timeline slicer untuk filter data dengan cara :

1 Is A Block Diagram Of A Data Slicer Circuit According To An Embodiment Of The Present Invention.


Pada window timeline slicer gunakan. As shown in the figure, the data slicer circuit has. Series clippers, shunt clippers and dual (combination) clippers.

Click United States To Find Out.


A clipping circuit is a circuit which removes the undesired part of the waveform and transmits only the desired part of the signal which is above or below some particular. 7 is a block diagram showing a schematic configuration of the data slicer circuit according to. In series clippers, the diode is.

Web Now, Let Us Learn How To Insert Slicers And Filter Data Easily.


First, convert the data into a table. They are useful to clip off the positive or negative portions. The slicer circuit is a simplified version of an analog to digital converter.