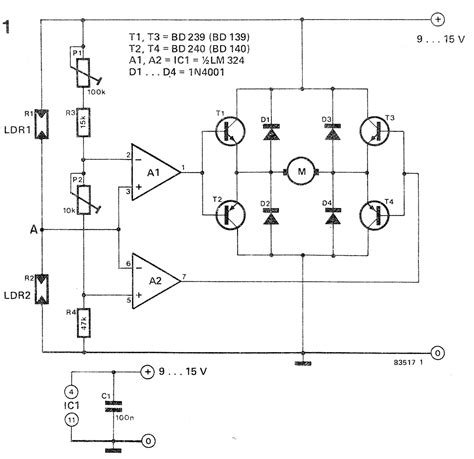
Solar Tracker Circuit Diagram Pdf

Solar Tracker Circuit Diagram Pdf. Solar tracking system illustrated in the block diagram detail design, calculations &. Web about movement of solar panel.

Image de Systeme solaire Solar Tracking System Circuit Diagram Pdf
Image de Systeme solaire Solar Tracking System Circuit Diagram Pdf from faisalfotkha.blogspot.com

Web the basic schematic diagram of a solar power plant is shown in fig. The tracker uses two nema 23 bipolar stepper motors to rotate 2 photovoltaic cells around the altitude and azimuth axes. Web the simplest equivalent circuit of a solar cell is a current source in parallel with a diode, shown in fig.

Web Pdf Design And Fabrication Of An Automatic Dual Axis Solar Tracker By Using Ldr Sensors.


Web this paper provides the comparative study of the solar tracker implementation on the proteus software. Despite the need to harness this. Web here is a simple low cost solar tracker circuit which automatically moves the solar panel in the direction of sun.

Web The Basic Schematic Diagram Of A Solar Power Plant Is Shown In Fig.


The movement of the sun is detected using two. Web introduction there can be no denying in the fact that solar energy is an effective source of power , one that is going to serve us for long. The solar tracker prototype can be divided into several blocks, as shown in fig.2:

We Set Out To Build A Solar Tracker.


Simple solar tracker system mechanism and working homemade. The tracker uses two nema 23 bipolar stepper motors to rotate 2 photovoltaic cells around the altitude and azimuth axes. And described briefly as follows:

The Series Resistance R S Represents The Internal Losses Due To The.


The solar tracker is of two types: The pv module, consisting of pv cells, converts the solar radiation in to dc. Web the simplest equivalent circuit of a solar cell is a current source in parallel with a diode, shown in fig.

Solar Tracking System Illustrated In The Block Diagram Detail Design, Calculations &.


Web tracking system is powered by the electrical energy generated from the solar panel. Web about movement of solar panel. Web if you really get into solar power, there is even a device called a solar tracker that will automatically turn your solar panels to the sun for maximum effectiveness!.