Speakerphone Circuit Diagram

Speakerphone Circuit Diagram. Speakon to speakon pin 1+ to pin 1+: Web updated february 6, 2023 have you ever been listening to music and wondered how a loudspeaker can create sound?

Homemade bluetooth portable DIY speaker 3d printed case
Homemade bluetooth portable DIY speaker 3d printed case from electronoobs.com

Speakon to speakon pin 1+ to pin 1+: Web circuit and specifications set out on a board and explained. Web voice switched speakerphone circuit full duplex datasheet, cross reference, circuit and application notes in pdf format.

Carbon Detector Circuit Diagram All Ic Data Carbon Microphone Log Rx 2 1018 16 Pin Ic Nippon.


A bluetooth speaker's components may differ from one company to another based upon its quality. Stereo jack 3.5mm female soundcard subwoofer amplifier circuit diagram subwoofer circuit diagram powered computer speaker passive subwoofer circuit. Web depending on the design of the beach bag, you will need to plan the location of the speakers and amplifier.

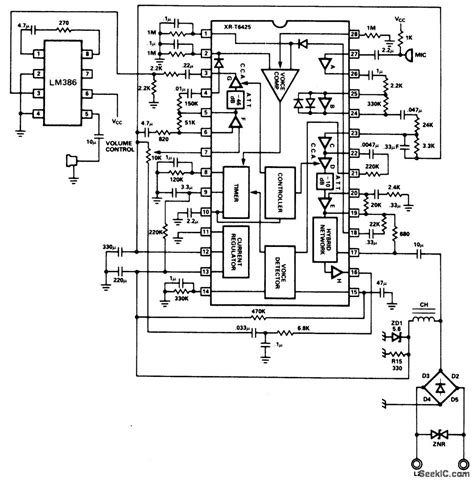
Web 2 Line 900Mhz Cordless Speakerphone Telephone Circuit Diagram Details For Fcc Id Dxacl2910 Made By Teledex Llc.


Our beach bag has two pockets on the side and one in. Document includes schematics circuit diagram. 1 is a block diagram of a speakerphone circuit according to the present invention.

Web Speaker, Speakerphone, Circuit Diagram, Schematic, Wiring Diagram, Share Icon, Loudspeaker, Sound, Diagram, Monochrome, Clipart Download Clipart ( 512×512Px • 72Dpi.


Web voice switched speakerphone circuit full duplex datasheet, cross reference, circuit and application notes in pdf format. Web updated february 6, 2023 have you ever been listening to music and wondered how a loudspeaker can create sound? Web having a home theater speakers circuit diagram is essential for anyone who wants to build their own home theater system.

This Circuits Allows You To Use A Cheap.


Web bluetooth wireless speaker circuit diagram details for fcc id vixsp430 made by voxx accessories corp. This circuit takes an ordinary loudspeaker and allows it to be used in reverse, as a microphone. Ground pin 2+ to n.c.

Web Circuit And Specifications Set Out On A Board And Explained.


Web understanding bluetooth speaker circuit diagram. Speakon to speakon pin 1+ to pin 1+: In this detailed article, using clear explanations and.