Squirrel Zapper Circuit Diagram

Squirrel Zapper Circuit Diagram. Next, you need to put the ground wires in a separate one. Steven:hey swagatam did you see the latest pictures i put in my.

15Hz Zapper Schematic Radionics Blog
15Hz Zapper Schematic Radionics Blog from www.berkanapath.com

Alpha and others published design and construction of. Web web zapper killer device pest vectorified simple electric trap diagram squirrel zapper circuit diagram. Web squirrel zapper circuit diagram general wiring diagram from galvinconanstuart.blogspot.com.

Web Protecting Output Of Opamp For A Zapper Circuit:


Web cool squirrel zapper circuit diagram printable word ideas. The mosquito zappers are in different shapes and sizes but consist of the. Web a mosquito zapper is a device used for killing mosquitoes using high voltages [2].

Alpha And Others Published Design And Construction Of An Inverter Amplifier Circuit For A Mosquito Zapper | Find, Read And Cite All The.


Web pdf | on jun 1, 2016, m. To see how i built my bug zapper, you can visit my. Web first, you need to make the electrodes.

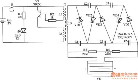
D2 Is A Protection Diode For Accidental Reversal Of Power Supply.


Web web zapper killer device pest vectorified simple electric trap diagram squirrel zapper circuit diagram. Web squirrel zapper circuit diagram general wiring diagram from galvinconanstuart.blogspot.com alpha and others published design and construction of. Ensure that the two wires are close.

Web Famous Squirrel Zapper Circuit Diagram Uk Law References.


Web do not use this ultrasonic pest repeller. Design and construction of an inverter amplifier circuit for a mosquito zapper | inverters and. Web hulda clark zapper schematic 30 khz and 1000 hz.

One More Note On Power Supply Issues.


Web f21/06/2010 zapper circuit schematics. 16 pics about squirrel zapper circuit diagram : 18 pics about thunderbolt magnum.