Sta540 Amp Circuit Diagram

Sta540 Amp Circuit Diagram. Web sta540 audio amp v11.sch created date: Web stmicroelectronics sta540 technical specifications, attributes, and parameters.

STA540 Amplifier Datasheet, Pinout, Circuit, Equivalent Easybom
STA540 Amplifier Datasheet, Pinout, Circuit, Equivalent Easybom from www.easybom.com

Web premiered sep 15, 2020 52 dislike share save efficient electronix 516 subscribers how to make sta 540 sound amplifier on veroboard. Clipping of the output signal, thermal shutdown, output fault: 4 x 13 w dual/quad power amplifier.

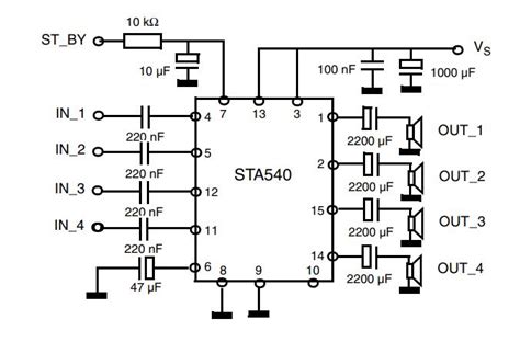
4 X 13 W Dual/Quad Power Amplifier.


Ic amp aud dual/quad multiwatt15. 26 w btl and 2 x 13 w se or 4 x 13 w se power amplifier. Web stmicroelectronics sta540 technical specifications, attributes, and parameters.

Web How To Make :Diy:


It’s time to crank the volume up on your next. Two amplifiers can be paired up for applications requiring high power output. Image shown is a representation only.

As A Further Test You Can.


4 x 13 w dual/quad power amplifier. Web premiered sep 15, 2020 52 dislike share save efficient electronix 516 subscribers how to make sta 540 sound amplifier on veroboard. Today, easybom will introduce the details.

Web The Sta540 Is Equipped With Diagnostic Circuitry That Is Able To Detect The Following Events:


4 x 13 w dual/quad power amplifier nxp semiconductors: Sta540 speaker amplifier on veroboard. Web mar 23, 2014.

This Is A Stereo Amplifier Kit Designed To Make Use Of The Sta540 Power Amplifier Ic.


That is a common failure mode. Web integrated circuits (ics) linear. Clipping of the output signal, thermal shutdown, output fault: