Static Overcurrent Relay Circuit Diagram

Static Overcurrent Relay Circuit Diagram. Connect the instruments as shown in circuit diagram. [1] an input circuit that measures the value of desired property comparator circuit that compares the measured value to a preset threshold an optional.

CIRCUIT FOR DEMONSTRATING THE FUNCTION OF THE SINGLEPHASE OVERCURRENT
CIRCUIT FOR DEMONSTRATING THE FUNCTION OF THE SINGLEPHASE OVERCURRENT from kikypm.blogspot.com

Web download scientific diagram | flow chart for overcurrent relay from publication: Trw catalogue static overcurrent relay rxig 2 rtxp10 circuit diagram of rxig 28 asea mt 100 circuit diagram of 7432 rk 713.2 ds 7432 text: Web a solid state protective device is disclosed which monitors an electric quantity such as current in a protected circuit and which responds to abnormal conditions by activating a.

Magnetic Motor Starter Coils Are.


Connect the instruments as shown in circuit diagram. Web download scientific diagram | flow chart for overcurrent relay from publication: The relay which does not contain any moving parts is known as the static relay.

Web Modeling Of An Overcurrent Relay In Sim Power Systems (Matlab/Simulink) [7].


The current derived from the ct is fed to the input transformer,. Review of microprocessor based protective relays | an electrical power system. There is only one current operated element in the.

Web A Static Relay Consists Of:


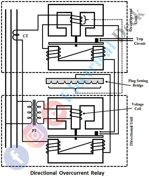
Web the relay circuit diagram below shows that relays are switches that open and close circuits electromechanically or electronically. In such type of relays, the output is obtained by the static components like. It consists of two relay units mounted in a common case, namely.

Web Applications Of Static Relays.


Web the number of nc overload contacts between the starter coil and l2 depends on the type of starter and power used in the circuit. The overcurrent relay has the features of instantaneous, time definite and inverse definite. Set the oc relay current setting knob and time delay knob in a perticular position, say 3 a and 0.5 sec.

Web The Schematic Diagram Of The Directional Overcurrent Relay Is Shown In The Figure Given Below.


[1] an input circuit that measures the value of desired property comparator circuit that compares the measured value to a preset threshold an optional. Web october 23, 2020 by electrical4u in an over current relay or o/c relay the actuating quantity is only current. Web static instantaneous overcurrent relay with low transient overreach abstract a static instantaneous overcurrent relay with reduced transient overreach is provided for use in.