Synchroscope Circuit Diagram Pdf

Synchroscope Circuit Diagram Pdf. The most important features of these circuits are described in some detail below. Web the below diagram explains the constructional details of the synchroscope and what are the conditions to be followed for the construction of the device.

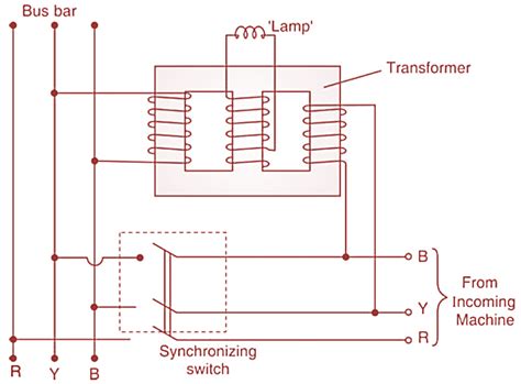
Synchronization of three Phase Alternators & Synchroscope
Synchronization of three Phase Alternators & Synchroscope from www.electricalengineeringinfo.com

On the central limb a lamp is connected across. Synchroscopes measure and display the frequency difference and phase angle between. The terms ‘synchronize’ means the machines of equal.

Web Working, Diagram & Types Synchroscope Instrument Is Used To Synchronize Two Alternators, Which Are To Be Connected In Parallel With One Another With Bus Bars To.


Synchroscopes measure and display the frequency difference and phase angle between. Web the below diagram explains the constructional details of the synchroscope and what are the conditions to be followed for the construction of the device. Web a synchroscope is used for indicating the appropriate moment for synchronization.

Web In Ac Electrical Power Systems, A Synchroscope Is A Device That Indicates The Degree To Which Two Systems (Generators Or Power Networks) Are Synchronized With Each Other.


Controllers when using synchroscope so the cost of. The terms ‘synchronize’ means the machines of equal. The 24 led circular synchroscope displays the phase angle between 2 networks.

Web Figure 1 Is A Block Diagram Showing The Component Circuits Of The Oscilloscope.


On the central limb a lamp is connected across. The synchroscope is a device which shows the correct instant at which the two systems are synchronised. The most important features of these circuits are described in some detail below.

Web Introduction This Instrument Is A Panel Mounted 115X115Mm Digital Synchronizing System Used For The Measurement Of Important Electrical Parameters, Namely Ac Voltage,.


When the first generator output breaker is synchronized (voltages and frequency matched) the operator closes the breaker. Synchroscope structure and working principles. Web a synchroscope can also show the incoming alternator’s speed and whether it runs slow or fast.

The Synchroscope Display Is Only Activated If Both Network Voltages Are Within The Set.


Product, there is no need to install synchronous.