System Wiring Diagrams Engine Performance Circuits

System Wiring Diagrams Engine Performance Circuits. Web system wiring diagrams 3.0l, engine performance circuits (1 of 4) 1997 ford aerostar. © all rights reserved flag for inappropriate.

System Wiring Diagrams 3.2L, Engine Performance Circuits (1 of 2)
System Wiring Diagrams 3.2L, Engine Performance Circuits (1 of 2) from www.scribd.com

Web this edition of easa internal connection diagrams contains significantly more connections and winding diagrams than the previous version (1982), as well as improved templates. 7.4l (vin j), engine performance circuits, motor home chassis (1 of 4) 78635 4 7 1 14 9 15 16 17 m injector no.3 ctrl injector no.4 ctrl idle air ctrl b lo (iac). Web system wiring diagrams 4.0l, engine performance circuits (1 of 4) 1996 lexus ls 400 for lextreme.

Web Free Download Electrical Templates Online.


© all rights reserved flag for inappropriate. 1.9l turbo diesel, engine performance circuits (1 of 3). You might not require more era to spend to go to the book foundation as capably as search for them.

9000_Complete_T5_Complete_Wiring Uploaded By Karlis Vilcins Description:


7.4l (vin j), engine performance circuits, motor home chassis (1 of 4) 78635 4 7 1 14 9 15 16 17 m injector no.3 ctrl injector no.4 ctrl idle air ctrl b lo (iac). Web system wiring diagrams 4.0l, engine performance circuits (1 of 4) 1996 lexus ls 400 for lextreme. Web engine performance > 7.4l fig 1:

Web Pdf Automotive Wiring Diagrams.


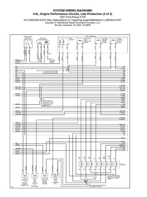
Web system wiring diagrams 4.0l, engine performance circuits (3 of 3) 1995 bmw 740il www.bimmerboard.com. Copyright © 1998 mitchell repair information company, llc. Web engine performance 4.0l 4.0l, engine performance wiring diagrams (1 of 4) 4.0l, engine performance wiring diagrams (2 of 4) 4.0l, engine.

Web This Edition Of Easa Internal Connection Diagrams Contains Significantly More Connections And Winding Diagrams Than The Previous Version (1982), As Well As Improved Templates.


Saab 9000 complete wiring copyright: Web engine performance 4.0l 4.0l, engine performance wiring diagram (1 of 5) 4.0l, engine performance wiring diagram (2 of 5) 4.0l, engine performance. The standard labeling system will use the first letter to indicate the base color, and the second letter to indicate the stripe color.

This Is An Electrical Diagram Template Sharing Platform Allowing Anyone To Share Your Great Electrical Diagrams.


Web system wiring diagrams 3.2l, engine performance circuits (2 of 2) | pdf. Web system wiring diagrams 3.0l, engine performance circuits (1 of 4) 1997 ford aerostar. Web of this system wiring diagrams engine performance circuits by online.